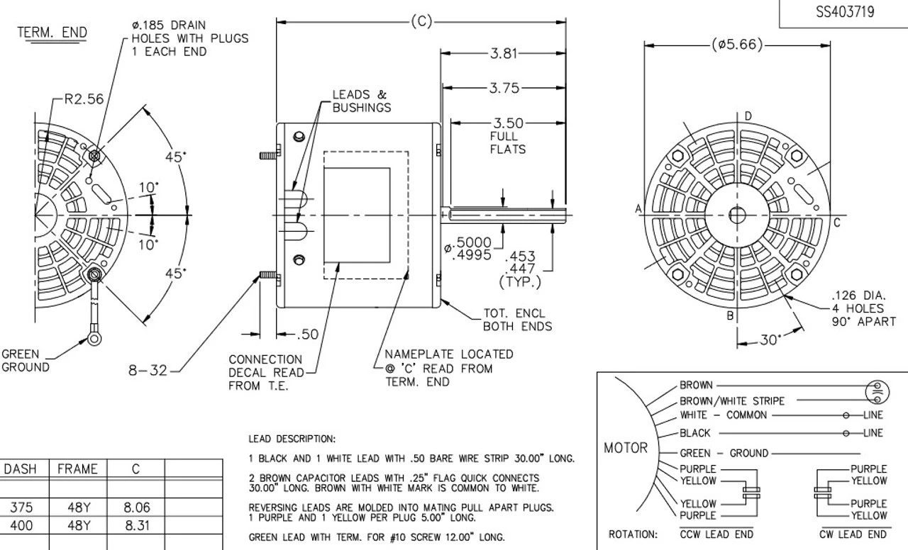
- 1/3 hp 1075 RPM, 1.9-1.8 amps, 208-230 Volts 60 Hz, Permanent Split Capacitor (PSC)
- NEMA 48Z Frame Keyed Shaft 1/2″ Diameter x 3 3/4″
- Service Factor = 1.0, Thermal Protection = Automatic
- No Base, Reversible, Ball Bearings, Class B insulation
- 1 Year Manufacture Warranty
Shaft Down Condenser Fan Motors are used in air conditioning coolant condenser units usually found outdoors. Shaft must be be vertical and pointed downward. TEAO = Totally-Enclosed-Air-Over so motor must be in air-stream. 048A11T509















Reviews
There are no reviews yet.