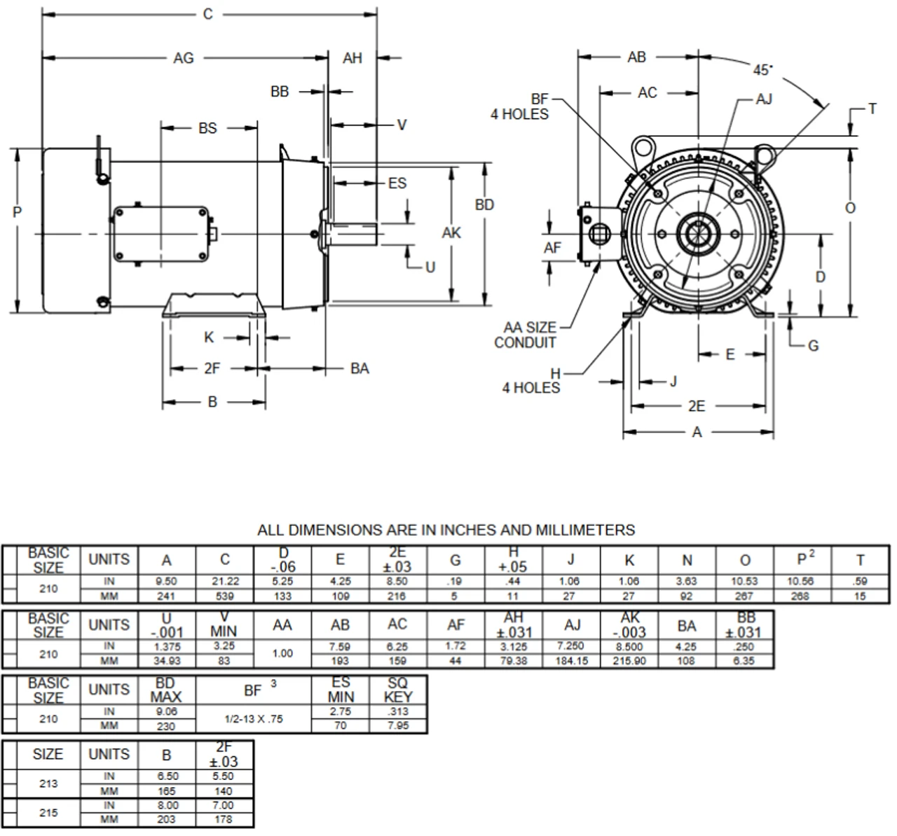
- 10 hp 1800 RPM, 26.5-23.8/11.9 amps 208-230/460 Volts 60 Hz Three Phase Motor
- NEMA 215TC Rolled Steel Frame, Keyed Shaft 1 3/8″ Diameter x 3 3/8″
- Service Factor: 1.15 Overload protection = None
- C-Face Mount, Ball Bearings, Class F Insulation, Reversible
- 1 Year Manufacture Warranty
All Stainless Steel wash-down motor for food and pharmaceutical applications. Wiring diagram on motor name plate. TEFC = Totally Enclosed Fan-Cooled. FB21













Reviews
There are no reviews yet.