- 10 HP 1800 RPM, 9.6 amps, 575V 60hz. 3 Phase.
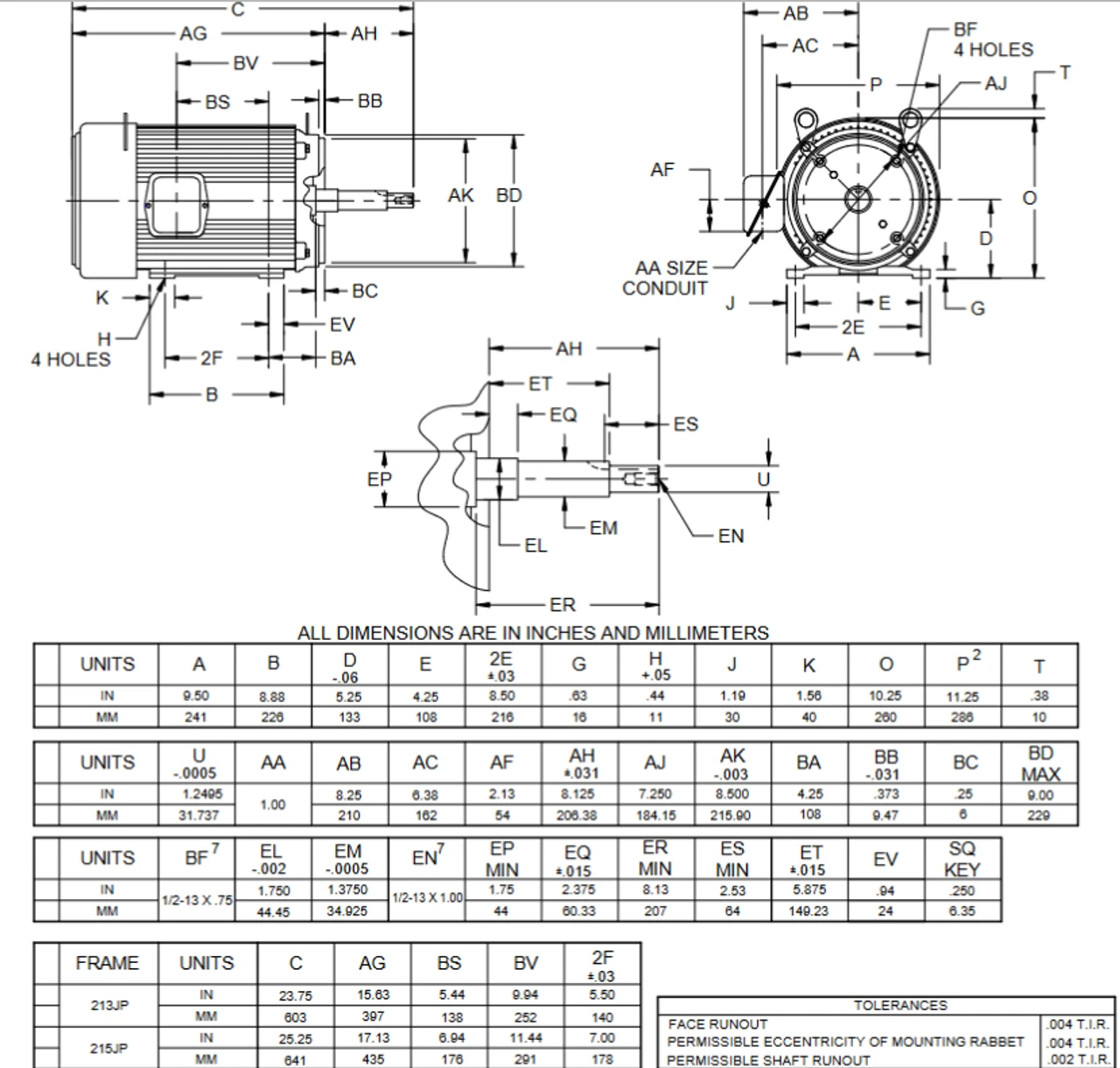
- NEMA 215JP Rolled Steel Frame, JP stainless steel shaft
- 1.25 Service Factor, Auto Overload Thermal Protection, Class F insulation
- Reversible Rotation, Totally Enclosed Fan Cooled,
- Rigid Base, Ball Bearings,
Close Coupled motors have the pump impeller mounted directly on the shaft. 1 Year Manufacture Warranty. TEFC = Totally Enclosed Fan Cooled, Proof, DZ80













Reviews
There are no reviews yet.