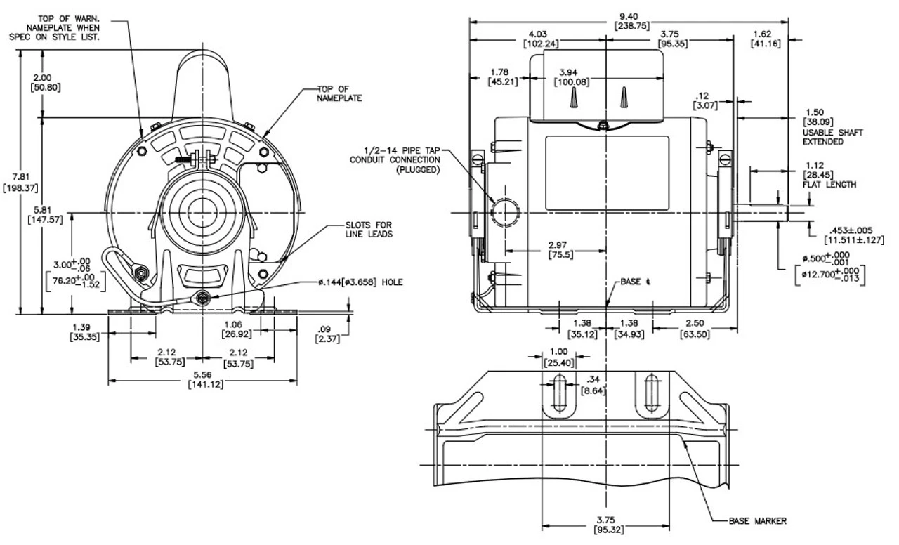
- 1/3 hp 1800 RPM, 7.0/3.5 amps, 115/230 Volts 60 Hz, Capacitor Start
- NEMA 48 Frame Flat Shaft 1 1/2″ x 1/2″ Diameter, 1 speed
- Service Factor = 1.0, Thermal Protection = Auto
- Resilient Base, Reversible, Sleeve Bearings, Class B insulation
- 1 Year Manufacture Warranty
Blower motors are used to blow air inside of buildings. Shaft may be vertical or horizontal. RS1030B














Reviews
There are no reviews yet.