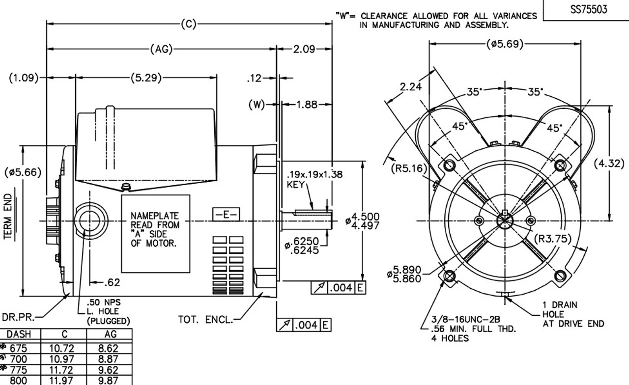
- 1 1/2 hp 3450 RPM, 13.0/7.4-6.5 amps, 115/208-230 Volts 60 Hz, Capacitor Start/Run, Oil Burner Mount
- NEMA 56C Frame Shaft 2″ x 5/8″ Diameter, 1 speed
- Service Factor = 1.3, Thermal Protection = Manual
- Reversible, Ball Bearings, Class B insulation
- 1 Year Manufacture Warranty
Direct replacement for motors in oil burning furnaces. ODP = Open Drip Proof, 056B34D2028

















Reviews
There are no reviews yet.