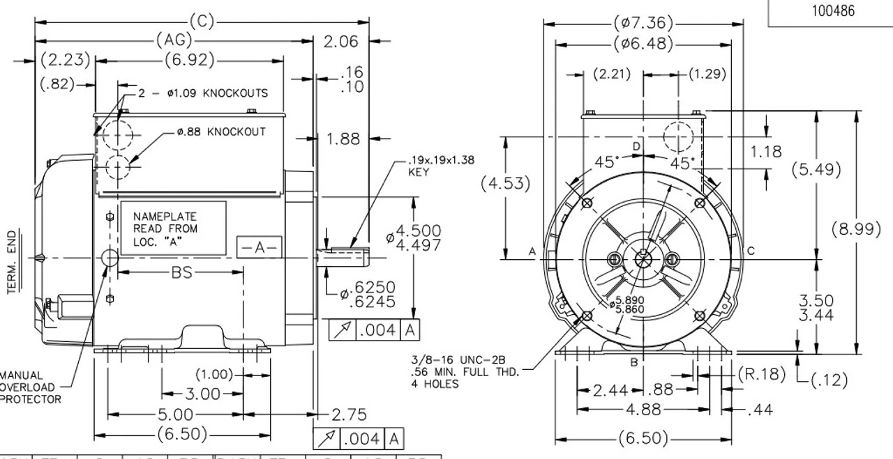
- 2 hp 3600 RPM, 17.5/8.7 amps 115/230 Volts 60hz. Capacitor Start Capacitor Run Motor
- NEMA 56HC frame, C-face, Keyed Shaft 5/8″ Diameter x 2″
- Service Factor: 1.15, Overload protection = Manual
- Rigid Base, Reversible, Ball Bearings, Class B Insulation
- 1 Year Manufacture Warranty
General purpose motor can be used for many applications requiring a single phase electric motor with a C-face mount. Motor has 4 threaded bolt holes on face for mounting a pump or gear-box. Bolt holes are 5 7/8″ on center measured across the shaft. Wiring diagram on motor name plate. TEFC = Totally Enclosed Fan Cooled. 056B34F5312

















Reviews
There are no reviews yet.