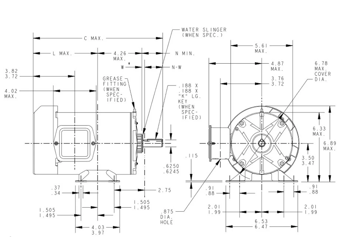
- 1 hp 3600 RPM, 3.2-3.0/1.5 amps 208-230/460 Volts 60hz. Three Phase
- NEMA 56 frame, Keyed Shaft 5/8″ Diameter x 1 7/8″
- Service Factor: 1.25, Thermal Overload Protection: None
- Rigid Base, Reversible, Ball Bearings, Class B Insulation
- 1 Year Manufacture Warranty
This is a general purpose three phase motor with a rigid base mount. Shaft has keyway. General purpose motors are for use in situations not having special requirements. Wiring diagram on motor name plate. TEFC = Totally Enclosed Fan-Cooled 5K38RN30

















Reviews
There are no reviews yet.