- 5 HP 1800 RPM, 28.5 amps, 230V 60 Hz. Capacitor Start
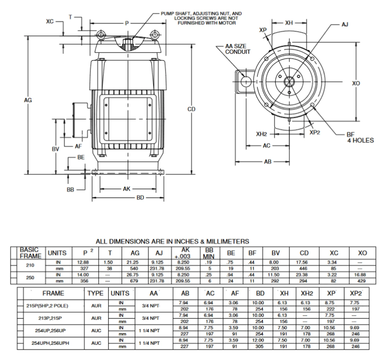
- NEMA 254UP Frame, AUC type, 10″ Dia. Base
- 1.15 Service Factor, Class F insulation, Thermal Protection: None
- Non-Reversible Ratchet Rotation, Weather Protected Enclosure
- P-Base Mounting, Ball Bearings, High Thrust
Vertical pump motor for use on turbine, mix flow, and propeller pumps. 1 Year Manufacture Warranty. 7199













Reviews
There are no reviews yet.