- 7 1/2 hp 1800 RPM, 20.6/10.3 amps 230/460 Volts 60 Hz Three Phase Motor
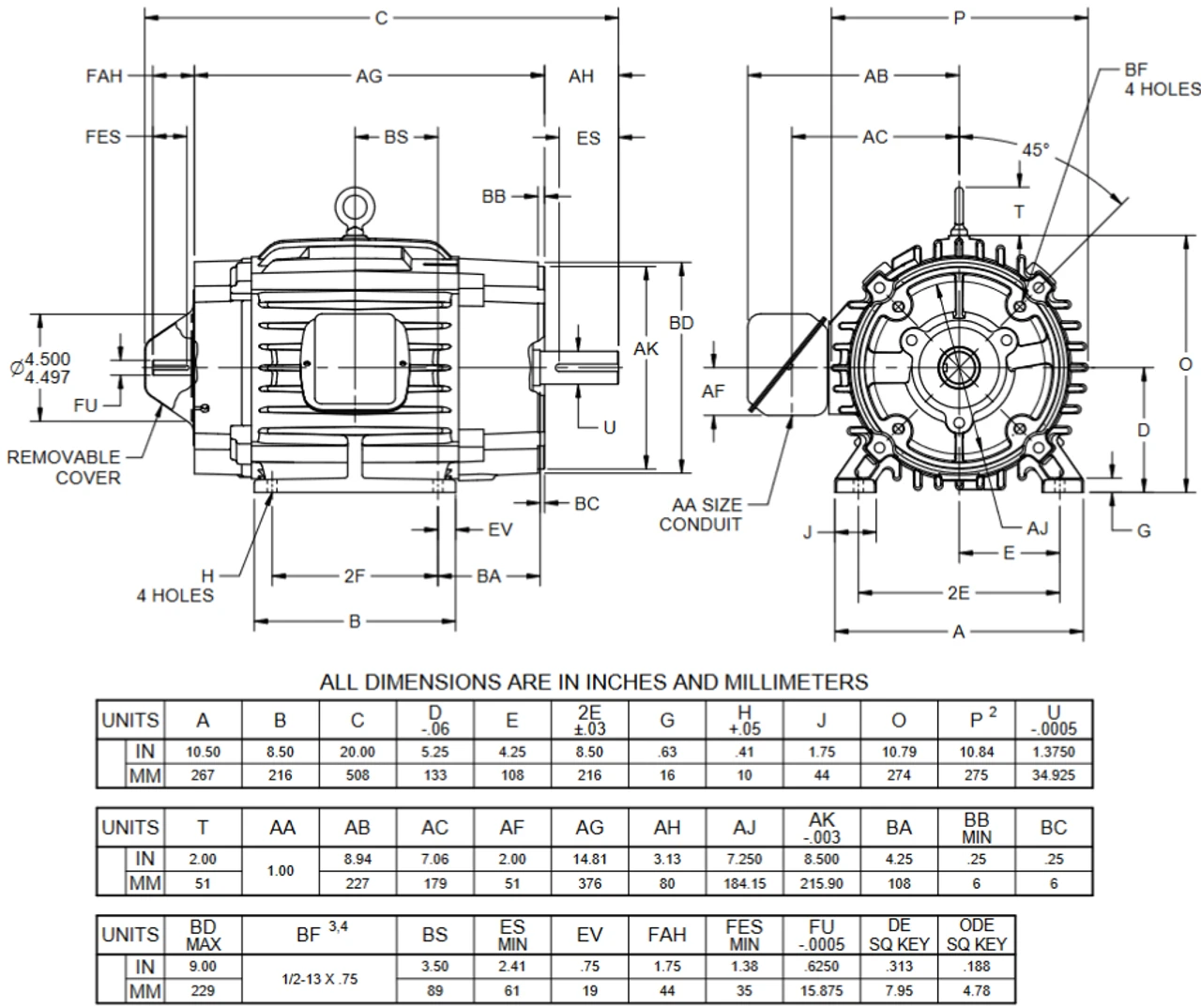
- NEMA 213TC Cast Iron Frame, Keyed Shaft 1 3/8″ Diameter x 3 3/8″
- Service Factor: 1.0 Overload protection = None
- C-Face Mount, Ball Bearings, Class H Insulation, Reversible
- 1 Year Manufacture Warranty
Speed controllable C-Face motor for material handling, cranes and machine tools located in demanding, corrosive environments. 5000:1 constant torque from 0 to nominal motor rpm. NEMA design A. Encoder and brake provisions. Wiring diagram on motor name plate. TENV = Totally-Enclosed Non-Ventilated. FG05













Reviews
There are no reviews yet.