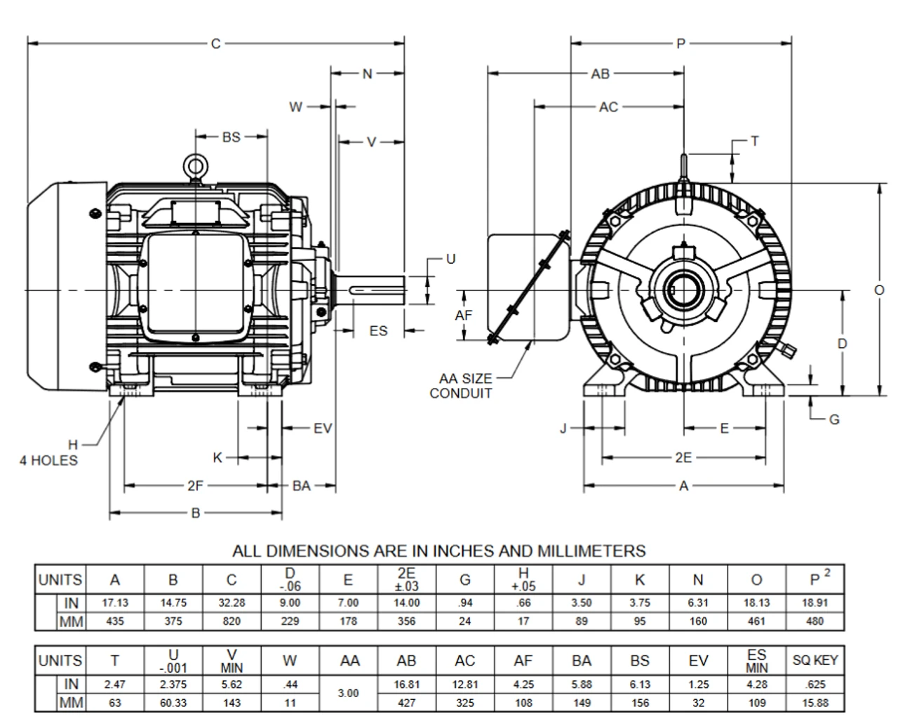
- 75 hp 1800 RPM, 170/85.0 amps 230/460 Volts 60 Hz Three Phase Motor
- NEMA 325T Cast Iron Frame, Keyed Shaft 2 3/8″ Diameter x 5 7/8″
- Service Factor: 1.15 Overload protection = None
- C-Face Mount, Ball Bearings, Class F Insulation, Reversible
- 1 Year Manufacture Warranty
Speed controllable C-Face motor for material handling, cranes and machine tools in hostile environments. 5:1 speed range at constant torque, 20:1 at variable torque. NEMA design B. Brake provisions. Wiring diagram on motor name plate. TEFC = Totally-Enclosed Fan-Cooled. GD48













Reviews
There are no reviews yet.