- 20 hp 1800 RPM, 47.0/23.7 amps 230/460 Volts 60 Hz Three Phase Motor
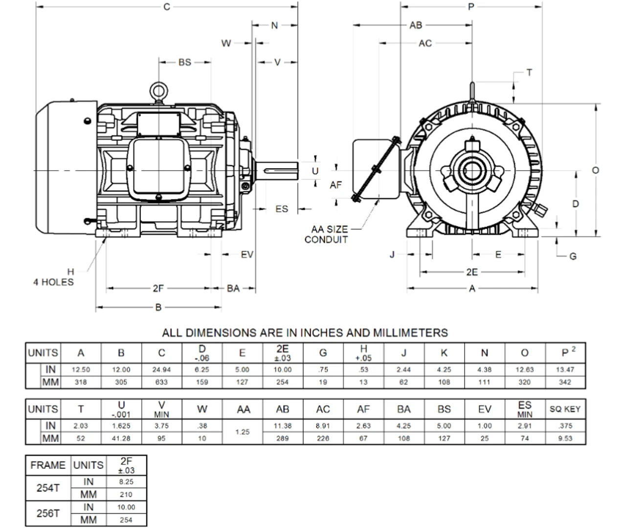
- NEMA 256T Cast Iron Frame, Keyed Shaft 1 5/8″ Diameter x 4″
- Service Factor: 1.15 Overload protection = None
- C-Face Mount, Ball Bearings, Class F Insulation, Reversible
- 1 Year Manufacture Warranty
Speed controllable C-Face motor for material handling, cranes and machine tools in hostile environments. 5:1 speed range at constant torque, 20:1 at variable torque. NEMA design B. Brake provisions. Wiring diagram on motor name plate. TEFC = Totally-Enclosed Fan-Cooled. GB47













Reviews
There are no reviews yet.