- 1 hp 1800 RPM, 3.4-3.4 amps 200-208 Volts 60 Hz Three Phase Motor
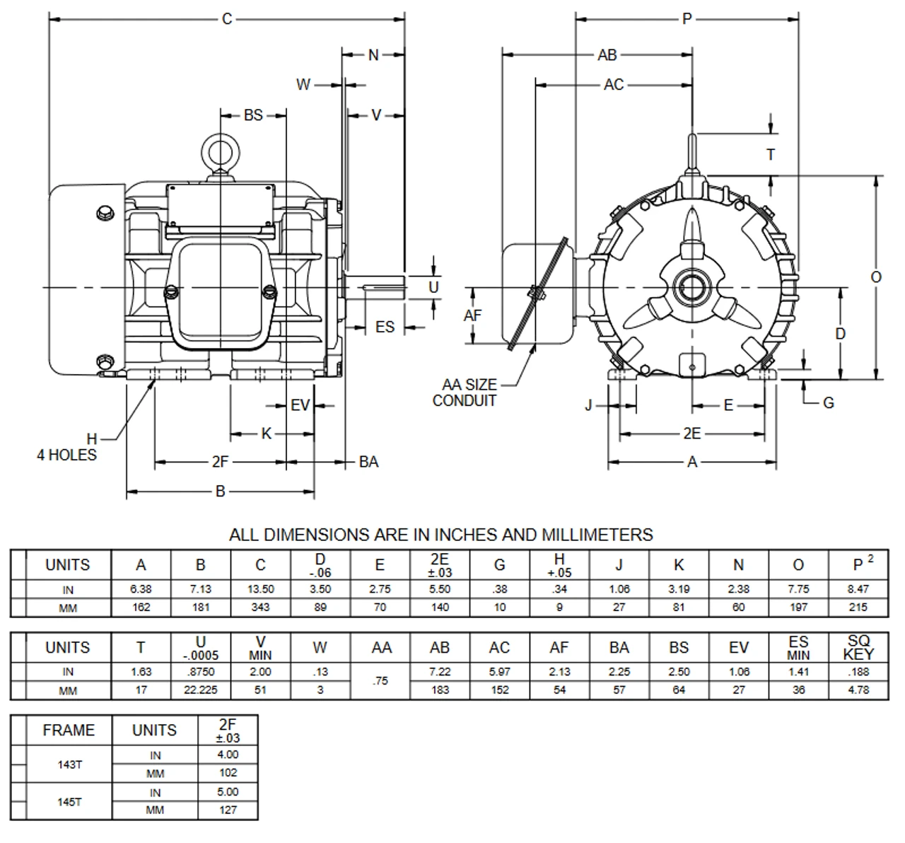
- NEMA 143T Cast Iron frame Keyed Shaft 7/8″ Diameter x 2 1/8″
- Service Factor: 1.15, Overload protection = None
- Rigid Base Mount, Ball Bearings, Class F Insulation, Reversible
- 1 Year Manufacture Warranty
Hostile duty motor can be used for many applications requiring a three phase electric motor. Inverter Duty. Self-certified Class 1, Division 2, Groups A, B, C, D. Wiring diagram on motor name plate. TEFC = Totally Enclosed Fan cooled. GG09













Reviews
There are no reviews yet.