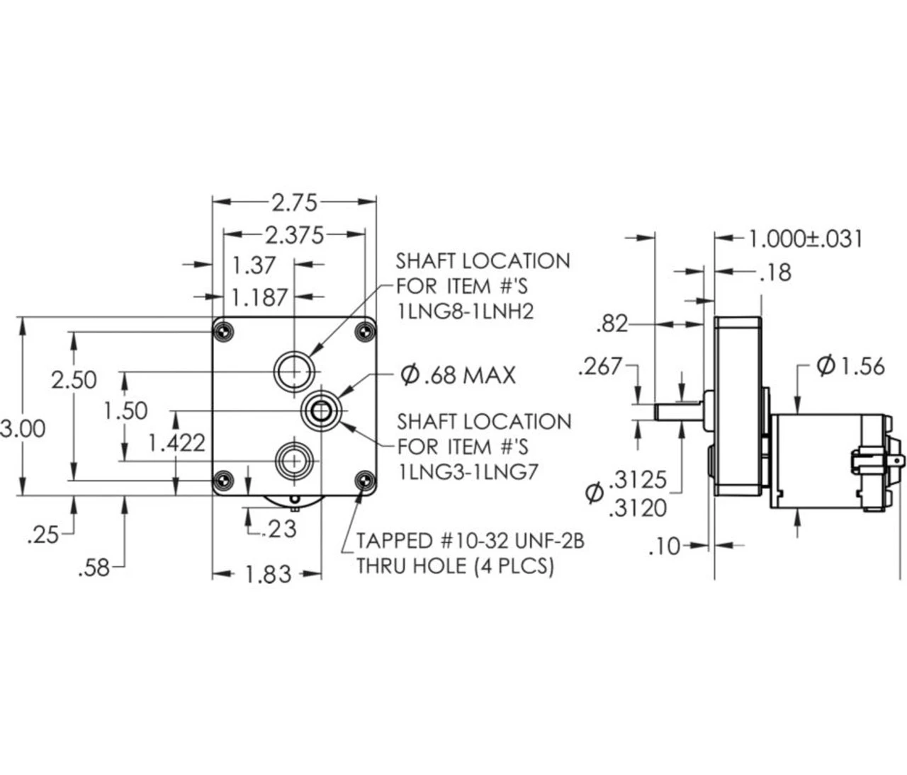
- 1/90 hp, 50 RPM, 1.1 amps, 12 Volts DC
- 10 Torque inch pounds
- Rotation = Reversible
- Shaft: 5/16″ x 13/16″
- Over Hung Pounds = 13
- One Year Manufacture Warranty
Mfgr Model 5450; Mounting: All Position. . (4Z840 discontinued, this is the replacement motor)













Reviews
There are no reviews yet.