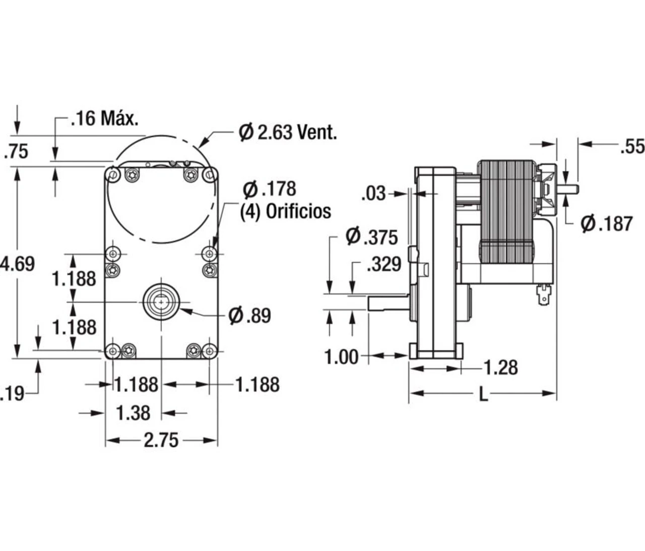
- 1/50 hp, 26 RPM, 1. 0 amps, 115 volts 60hz.
- Run Torque 45 inch pounds with cooling fan
- Rotation – CW Facing Shaft; Non-Reversible
- Shaft: 3/8″ x 1″
- Over Hung Pounds = 15
- One Year Manufacture Warranty
V00323AD707 (6Z908 discontinued, this is the replacement motor)












Reviews
There are no reviews yet.