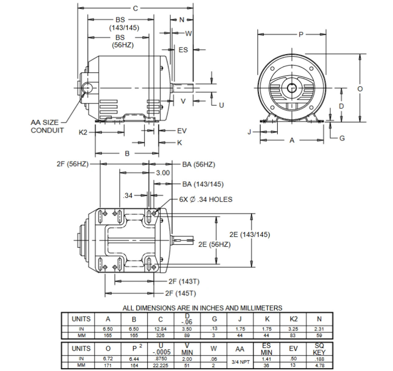
- 1 1/2 hp 3600 RPM, 1.5 amps 575 Volts 60 Hz Three Phase Motor
- NEMA 143T Rolled Steel Frame, Keyed Shaft 7/8″ Diameter x 2 1/4″
- Service Factor: 1.15, Overload protection = None
- Rigid Base Mount, Ball Bearings, Class F Insulation, Reversible
- 1 Year Manufacture Warranty
General purpose motor designed for use with pumps, fans, and compressors where contaminants are minimal. Wiring diagram on motor name plate. ODP = Open Drip Proof. FE30













Reviews
There are no reviews yet.