- 2 hp 1800 RPM, 5,6/2.8 amps 230/460 Volts 60 Hz Three Phase Motor
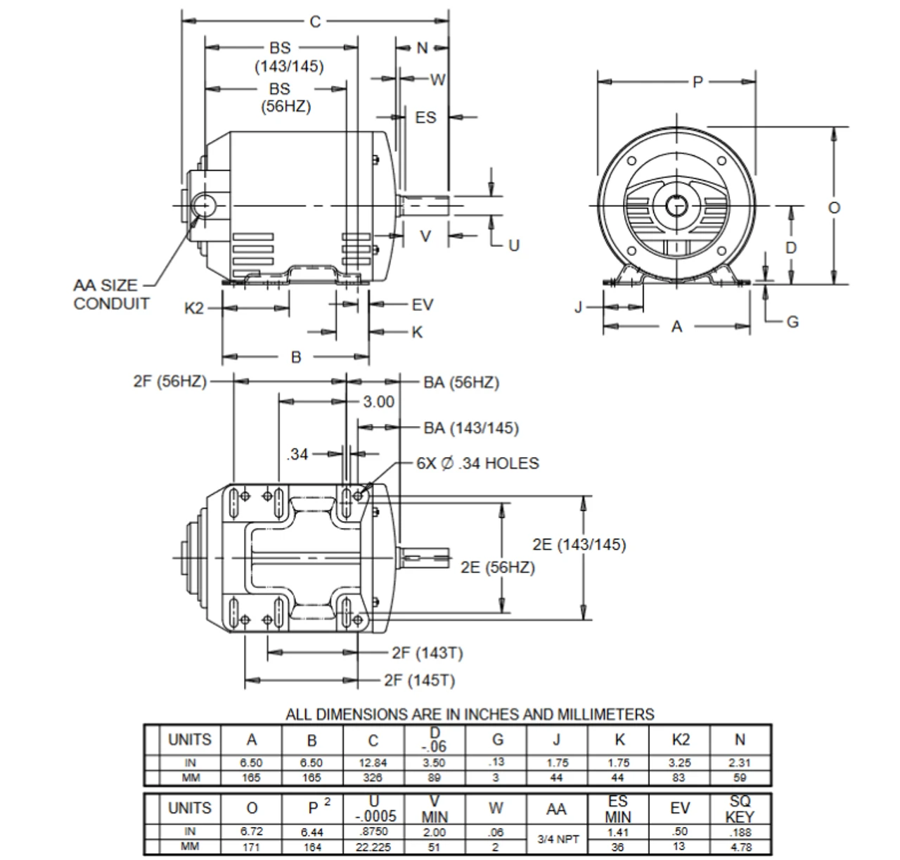
- NEMA 145T Rolled Steel Frame with Cast Aluminum End Bells, Keyed Shaft 7/8″ Diameter x 2 1/4″
- Service Factor: 1.15 Overload protection = None
- C-Face Mount, Ball Bearings, Class F Insulation, Reversible
- 1 Year Manufacture Warranty
Speed controllable motor for material handling, pumps, and fans, in normal environments. 5:1 speed range at constant torque, 20:1 at variable torque. NEMA design B. Brake provisions. Wiring diagram on motor name plate. ODP = Open Drip-Proof. HC82












Reviews
There are no reviews yet.