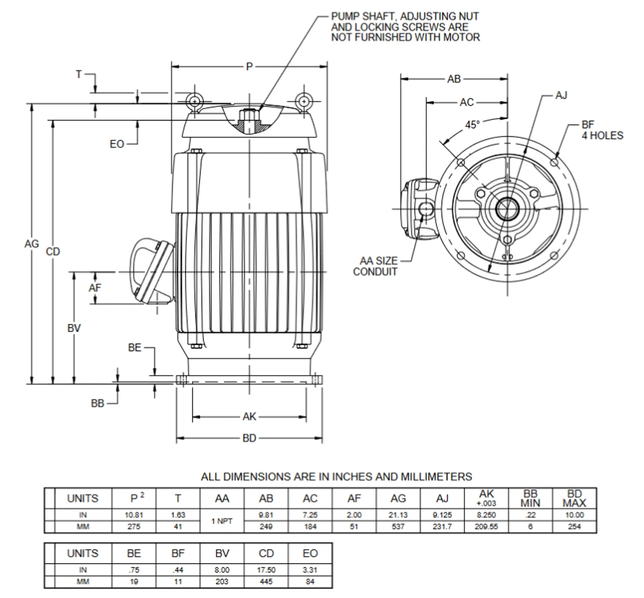
- 10 HP 1800 RPM, 24.3/12.2 amps, 230/460V 60 Hz. 3 Phase
- NEMA 215TP Frame, TUCI type, 10″ Dia. Base, TEFC
- 1.15 Service Factor, Class H insulation, Thermal Protection: None
- Non-Reversible Ratchet Rotation, Weather Protected Enclosure
- P-Base Mounting, Ball Bearings, High Thrust
Vertical pump motor for use on turbine, mix flow, and propeller pumps. TEFC = Totally-Enclosed Fan-Cooled, CORRO-DUTY = All cast iron construction, Inverter Duty. 1 Year Manufacture Warranty. FU26













Reviews
There are no reviews yet.