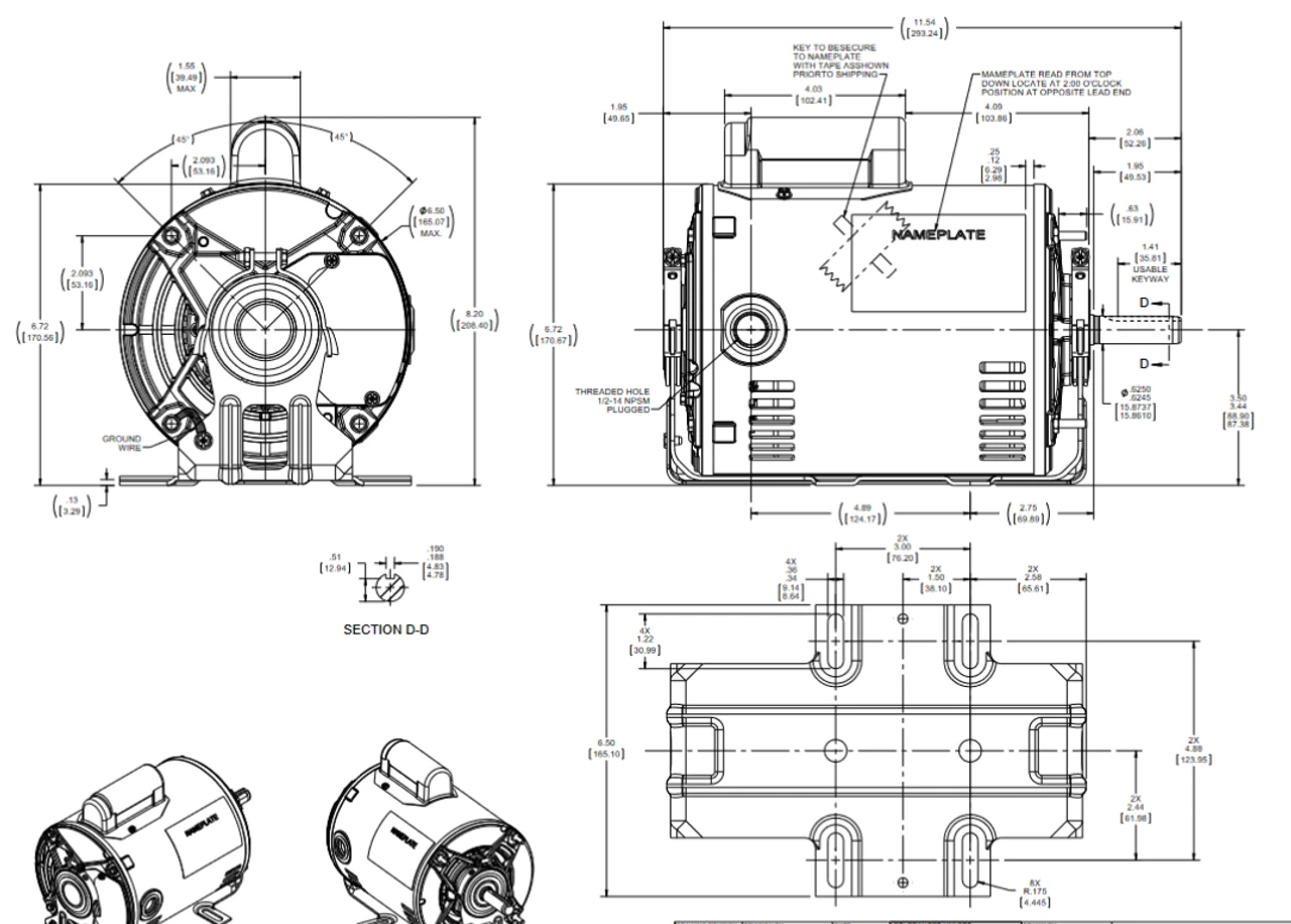
- 1/2 hp 1800/1200 RPM 2 Speed, 7.7/4.7 amps, 115 Volts, 60 Hz, Capacitor Start Single Phase
- NEMA 56 Frame Keyed Shaft 5/8″ Diameter x 2″ long
- Service Factor: 1.25 – Overload Protection = Auto
- Reversible, Rigid Base, Ball Bearings, Class B Insulation
- 1 Year Manufacture Warranty
Direct drive blower motor. Wiring diagram on motor name plate. ODP = Open Drip Proof. 056C64DRS40002A1
Can replace Century motor C532V1

















Reviews
There are no reviews yet.